CQB型磁力驱动离心泵适用于石油、化工、制药、冶炼、电镀、环保、食品、影视洗印、水处理、国防等行业,是输送易燃、易爆、挥发、有毒、稀有贵重液体和各种腐蚀性液体的理想设备。适用于输送吸入压力不大于0.2MPa,大工作压力1.6MPa,温度不超过100℃,密度不大于1600kg/m3,粘度不大于30×10-6m2/S的不含硬颗粒和纤维的液体。
CQB型磁力驱动离心泵(简称磁力泵),通常由电动机,磁力偶合器和耐腐蚀离心泵组成。其主要特点是利用磁力偶合器传递动力,完全无泄漏,当电动机带动磁力偶合器的外磁钢旋转时,磁力线穿过问隙和隔离套,作用于内磁钢上,使泵转子与电动机同步旋转,无机械接触地传递扭矩。在泵轴的动力输入端,由于液体被封闭在静止的隔离套内,没有动密封因而完全无泄漏。
CQB系列磁力泵是磁力泵全国联合设计组开发的新型完全无泄漏耐腐蚀泵,其技术经济指标与国外同类产品八十年代末的水平相当。
CQB系列磁力泵型式及基本参数符合JB/T 7742—1995《小型磁力驱动离心泵型式与基本参数》标准和《小型磁力驱动离心泵三个标准的补充规定》。

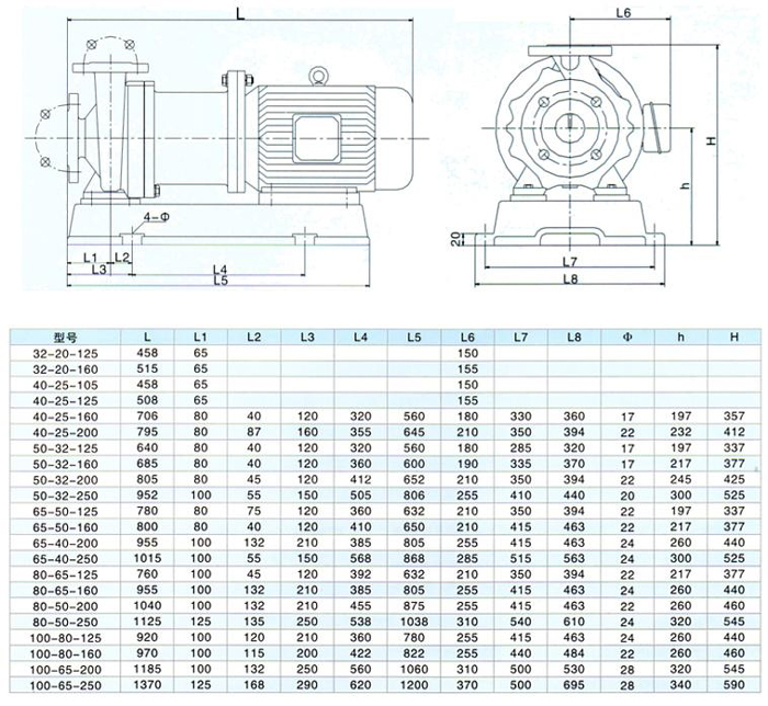
| 型 号 | 口径(mm) | 流量 (m3/h) | 扬程 (m) | 电机功率 (kW) | 电 压 (V) | 材 质 | |
| 进口 | 出口 | ||||||
| CQB32-20-125 | 32 | 20 | 3.2 | 20 | 1.1 | 380 | 不锈钢 |
| CQB32-20-160 | 32 | 20 | 3.2 | 32 | 1.5 | 380 | |
| CQB40-25-125 | 40 | 25 | 6.3 | 20 | 2.2 | 380 | |
| CQB40-25-160 | 40 | 25 | 6.3 | 32 | 3 | 380 | |
| CQB40-25-200 | 40 | 25 | 6.3 | 50 | 5.5 | 380 | |
| CQB50-32-125 | 50 | 32 | 12.5 | 20 | 3 | 380 | |
| CQB50-32-160 | 50 | 32 | 12.5 | 32 | 4 | 380 | |
| CQB50-32-200 | 50 | 32 | 12.5 | 50 | 7.5 | 380 | |
| CQB50-32-250 | 50 | 32 | 12.5 | 80 | 18.5 | 380 | |
| CQB65-50-125 | 65 | 50 | 25 | 20 | 4 | 380 | |
| CQB65-50-160 | 65 | 50 | 25 | 32 | 7.5 | 380 | |
| CQB65-40-200 | 65 | 40 | 25 | 50 | 15 | 380 | |
| CQB65-40-250 | 65 | 40 | 25 | 80 | 18.5 | 380 | |
| CQB80-65-125 | 80 | 65 | 50 | 20 | 7.5 | 380 | |
| CQB80-65-160 | 80 | 65 | 50 | 32 | 15 | 380 | |
| CQB80-50-200 | 80 | 50 | 50 | 50 | 18.5 | 380 | |
| CQB80-50-250 | 80 | 50 | 50 | 80 | 37 | 380 | |
| CQB100-80-125 | 100 | 80 | 100 | 20 | 15 | 380 | |
| CQB100-80-160 | 100 | 80 | 100 | 32 | 18.5 | 380 | |
| CQB100-65-200 | 100 | 65 | 100 | 50 | 37 | 380 | |
| CQB100-65-250 | 100 | 65 | 100 | 80 | 55 | 380 | |
| 注:每个型号都可配防爆电机 | |||||||
| 介质名称 | 浓度(%) | 聚丙烯 | 浓度(%) | ABC | ||
| 25℃ | 50℃ | 20℃ | 60℃ | |||
| 硫酸 | 60 | √ | √ | 〈30 | √ | X |
| 硝酸 | 25 | √ | √ | 20 | √ | 〇 |
| 盐酸 | 〈36 | √ | √ | 〈38 | √ | √ |
| 氢氟酸 | 35 | √ | √ | 40 | √ | X |
| 醋酸 | 〈80 | √ | √ | 〈20 | √ | 〇 |
| 氢氧化钠 | 100 | √ | √ | √ | √ | √ |
| 重铬酸钾 | 25 | √ | √ | √ | √ | √ |
| 溴水 | √ | X | X | √ | 〇 | X |
| 乙醇 | √ | √ | 〇 | 〈50 | √ | √ |
| 丙酮 | √ | √ | 〇 | 10 | 〇 | √ |
| 四氯乙烷 | √ | 〇 | √ | √ | 〇 | X |
| 氟利昂22 | √ | √ | √ | √ | 〇 | 〇 |
| 漂白液 | CL13% | √ | √ | CL12.5% | 〇 | 〇 |
| 电镀液 | √ | √ | √ | √ | 〇 | X |
| 照相液 | √ | √ | √ | √ | √ | √ |
| 照相液 | √ | ⅴ | √ | √ | ⅴ | ⅴ |
续
| 介质名称 | 浓度(%) | 不锈钢 | 浓度(%) | 陶瓷 | ||
| 25℃ | 50℃ | 25℃ | 80℃ | |||
| 硫 酸 | 〈5 | √ | X | √ | ⅴ | ⅴ |
| 硝酸 | 70 | ⅴ | √ | √ | ⅴ | ⅴ |
| 盐酸 | √ | X | √ | √ | ⅴ | ⅴ |
| 氢氟酸 | √ | X | √ | 0~100 | X | √ |
| 醋酸 | 〈20 | √ | √ | √ | ⅴ | ⅴ |
| 氨氧化钠 | 70 | √ | √ | √ | 〇 | X |
| 重铬酸钾 | 40~60 | ⅴ | ⅴ | 10~20 | ⅴ | ⅴ |
| 溴 水 | √ | 〇 | √ | √ | ⅴ | ⅴ |
| 乙 醇 | √ | ⅴ | √ | √ | ⅴ | ⅴ |
| 丙 酮 | √ | ⅴ | ⅴ | √ | ⅴ | √ |
| 四氯乙烷 | 50 | ⅴ | ⅴ | √ | ⅴ | ⅴ |
| 氟利昂22 | √ | ⅴ | √ | √ | ⅴ | ⅴ |
| 漂白液 | √ | X | √ | √ | ⅴ | ⅴ |
| 电镀液 | √ | √ | √ | √ | ⅴ | ⅴ |
| 照相液 | √ | ⅴ | √ | √ | ⅴ | ⅴ |
符号说明:ⅴ一优良,√一良好,〇一可用,但腐蚀明显。X—腐蚀严重,不适用。




| 故障形式 | 产 生原因 | 排除方法 |
| 泵不出水 | 1.水泵反转 2.进水管道漏气 3.泵腔蓄水不足 4.电压太高,苣动时联轴器打滑 5.吸程太高 6.阀门没有打幵 |
1.改变电讥接线 2.社绝漏气 3.增加蓄水璗 4.调正电压 5.降低泵安装位置 6.校正或更換阀门 |
| 流量不足 | 1.吸入管径太小或淤塞 2.叶轮流道阻塞 3.扬程过高 4.转速不够 |
1.调换或清洗逬水官 2.清洗叶轮 3.幵大出水阀 4.恢复额定转速 |
| 扬程过低 | 1.流量过大 2.转速太低 |
1.关小出水阀 2.恢复额定转速 |
| 噪音太大 | 1.轴严重磨损 2.轴承严重磨损 3.外磁钢或內磁钢与隔离套接触 4.密封环与叶轮研磨 |
1.更换泵轴 2.更换轴承 3.拆除泵头重新组装 4.更换止推环、密封环 |
| 漏 液 | 〇型密封圈损坏 | 更换〇型密封圈 |
版权所有 © 上海迈科泵业制造有限公司 销售电话:021 - 56625995,36339855 E-mail: maike168@126.com 沪ICP备09048599号-1